Description
Mk1 & Mk2 CIS Vacuum Line Connector Hose
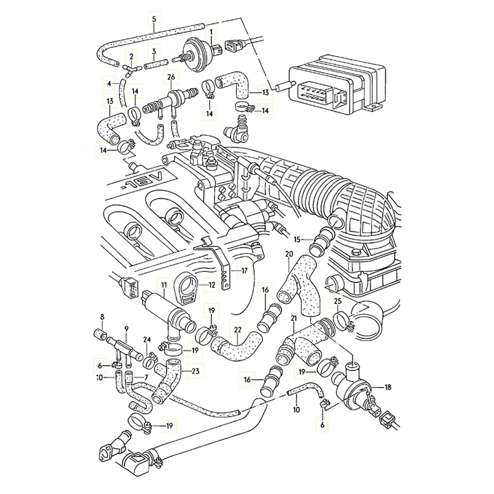
Replace the multiple CIS Vacuum Line Connector Hoses on your Scirocco with new vacuum lines. These are to connect the hard vacuum lines to components such as ignition distributor for vacuum advance, throttle body vacuum ports, & thermal temperature sensors, just to name a few. Even if your line connector looks ‘ok’, they may still need replaced. Vacuum check them to determine if they are in fact leaking. We use a Mityvac MV8000 tool to test this.
All new Vacuum Line Connector Hoses help with faster cold starts and more stable idle. Also, replacing the 4mm CIS Vacuum Lines will help these symptoms as well. Lines come in multiple colors by the foot. Also available, 6mm Vacuum Lines for EVAP and power door lock systems
Most early CIS systems could have up to 20+ different connections at 40-80mm each. We factor that you should need a minimum of 3ft for 16v engines. 6ft for 8v vehicles.
SPECS:

Vacuum Line: 3.5mm ID x 2mm Wall x 7.5mm OD – Factory Spec
Braided Hose – OES Manufactured by Continental
Minimum order Qty: 3 = 3ft / 36″ / 914mm
Price Per Foot
Replaces Part Numbers: N 020 353 5 / N0203535
Other Part Numbers: N 203 531 20 / N203531-20
What will replacing the connector do?
Replacing the CIS vacuum line connector hoses on your Scirocco is essential for maintaining the proper functioning of your fuel injection system. These hoses are prone to wear and deterioration over time, leading to vacuum leaks that can disrupt engine performance. By replacing them, you can ensure a tight seal and prevent issues such as rough idling, poor acceleration, and decreased fuel efficiency. Furthermore, a properly working fuel injection system helps your vehicle meet emissions regulations, reducing your environmental impact. Investing in new CIS vacuum line connector hoses is a small yet impactful maintenance step that can improve the reliability, performance, and longevity of your Scirocco.




















